JY-ZC直流高低值電壓繼電器使用方法及技術條件-上海上繼科技有限公司
發表時間:2019-09-28 10:19 瀏覽次數:737 〖返回〗
一、JY-ZC直流高低值電壓繼電器使用方法
該繼電器高值和低值可分別通過面板上的拔輪開關進行整定,根據面板上的整定公式可在繼電器規定的整定范圍內任意調節(調節幅度不小于1V) ,拔率合開關分別對應整定公式中的十位和個位。
二、JY-ZC直流高低值電壓繼電器技術條件
a)大氣壓力80kpa-160kpa;
b)環境溫度-10°C- +50°C;
c)空氣相對濕度不高于90% (月平均**溫度20°C) ;
d)使用地方不允許有較強的外磁感應強度;
e)使用地方不允許有導電塵埃與破壞金屬和絕緣的腐蝕性氣體;
f)使用地方不允許有爆炸危險及充滿塵埃與破壞金屬和絕緣的席蝕性氣體;
g)使用地方不允許有較嚴重的霉菌存在;
i)使用地方不允許有較強的振動與沖擊;
絕線電阻:繼電器外殼與各端子間,以及電氣上無聯系的各電路之間的絕緣電阻不小于300M0。
介質強度:繼電器外殼與各端子間以及電氣上無聯系的各電路之間的絕緣強度,應能承受2kV, 50Hz交流電壓,歷時1min無閃絡與擊穿
現象。同組接點間應能承受1kV,50Hz交流電壓,歷時1min無閃絡與擊穿現象。
抗干擾性能:符合GB7261和GB6261 ?靜態繼電器及保護裝置的電氣干流試驗? 。
三、JY-ZC直流高低值電壓繼電器內部接線及外引接線圖

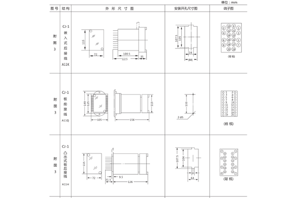
四、JY-ZC直流高低值電壓繼電器外形及開孔尺寸

公司介紹:上海上繼科技有限公司是一家專業從事電力系統繼電保護及智能電網電力自動化產品的研發、設計、生產、銷售和服務為一體的高科技公司。擁有資深繼電保護專家團隊和國內**的檢測儀器及校驗設備。同時還引用國內外先進技術,來進行技術創新。本公司的產品廣泛用于電力、工礦、鐵路、建筑等國家重大工程輸配變電系統上,產品遠銷東南亞及中東地區。產品通過國家繼電保護及自動化設備質量監督檢驗中心檢測,獲得ISO9001國際質量體系認證。“科技創新,誠信務實”是公司的經營理念,本公司以高超的技術支持和對用戶高度負責的售后服務贏得了輸配電成套企業的信賴,且樹立了良好的信譽。
上海上繼科技有限公司(專注電力保護繼電器生產廠家)銷售熱線:021-57233089 QQ:1932551438
{以上內容僅供參考,上海上繼科技有限公司有最終解釋權}
更多繼電器精彩文章——JY-DB/4電壓繼電器主要性能及工作原理





