JY-ZC直流高低值電壓繼電器應用范圍及接線圖-上海上繼科技有限公司
發表時間:2019-09-28 10:12 瀏覽次數:595 〖返回〗
一、JY-ZC直流高低值電壓繼電器應用范圍
JY-ZC直流高低值電壓繼電器為直流電壓自動調節測試元件,適用于電力保護系統, 鎳隔電池屏等直流電壓監視配套使用。
二、JY-ZC直流高低值電壓繼電器內部接線及外引接線圖

三、JY-ZC直流高低值電壓繼電器主要技術參數
額定直流電壓: 110V、220V
動作整定范圍:
額定直流電壓110V:高值110V-150V,低值80V-110V;
額定直流電壓220V:高值220V-260V,低值190V-220;
動作時間: 2倍動作值時,動作時間不大于20ms
定值誤差:不大于±2%
返回系數:高值不小于0.97 ,低值不大于1.02
功耗:在額定電壓下,繼電器功耗不大于6W
觸點性能:當時間常數為5ms的電感性負載時,繼電器觸點斷開容量為交流電壓250V時,交流不大于2A,直流電壓為24V時,電流不大于5A
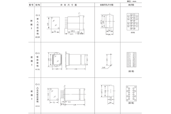
四、JY-ZC直流高低值電壓繼電器外形及開孔尺寸

公司介紹:上海上繼科技有限公司是一家專業從事電力系統繼電保護及智能電網電力自動化產品的研發、設計、生產、銷售和服務為一體的高科技公司。擁有資深繼電保護專家團隊和國內**的檢測儀器及校驗設備。同時還引用國內外先進技術,來進行技術創新。本公司的產品廣泛用于電力、工礦、鐵路、建筑等國家重大工程輸配變電系統上,產品遠銷東南亞及中東地區。產品通過國家繼電保護及自動化設備質量監督檢驗中心檢測,獲得ISO9001國際質量體系認證。“科技創新,誠信務實”是公司的經營理念,本公司以高超的技術支持和對用戶高度負責的售后服務贏得了輸配電成套企業的信賴,且樹立了良好的信譽。
上海上繼科技有限公司(專注電力保護繼電器生產廠家)銷售熱線:021-57233089 QQ:1932551438
{以上內容僅供參考,上海上繼科技有限公司有最終解釋權}
更多繼電器精彩文章——JY-DB/4電壓繼電器主要性能及工作原理





