JCH-2靜態重合閘繼電器主要用途及技術參數-上海上繼科技有限公司
發表時間:2020-05-09 15:49 瀏覽次數:1017 〖返回〗一、JCH-2靜態重合閘繼電器特點
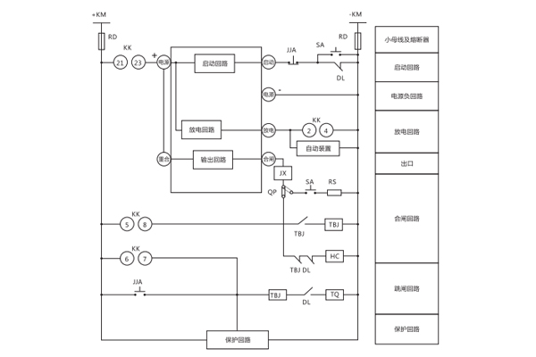
1、有"電源"、"充電"、"充動"三個發光二極管,分別監視工作電源、充電延時回路、啟動回路.。
2、繼電器啟動延時時間用數字拔碼開關整定.整定范圍0.1~9.9s,級差0.1s,整定及變更時間方便,無鐘表機構停走弊病。
3、完善的保護措施:電源極性接反、啟動、放電回路誤接入正電源均不會損壞繼電器。
4、高可靠性:采用進口集成電路及高品質元器件;生產工藝精良,采用雙面焊接 ,功耗小,繼電器內部溫升低,可以放心使用。
5、引腳及外圍電路與DH-1、DH-2、DH-3、DCH-1型等重合閘繼電器一致:可直接替代DH-1、DH-2、DH-3、DCH-1型等重合聞繼電器。
6、合閘電流寬范圍通用: 0.25~2.5A.適合各種合閘接觸器。
7、調試筒單:減輕繼電保護人員負擔。

二、JCH-2靜態重合閘繼電器技術參數
1、合閘電流: 0.25A~2.5A范圍內通用, 80%的最小合閘電流(0.2A)時合閘回路應能自保持。合閘回路允許2倍額定電流接通
10分鐘。
2、啟動延時范圍:0.1~9.9s,級差0.1s。
3、延時精度: 0.1~9.9s時,誤差≤±(0.1%+15ms)。
4、再次重合閘的充電時間: 15~25s(80%-110%額定電壓內) ,如應用于彈黃儲能操作機構斷路器,可提供25~35s的產品,訂貨時需注明。
5、合閘脈沖寬度: 100~120ms。
6、功率消耗:
a、工作電源回路見下表

b、啟動回路:合閘電流為2.5A時,不大于3W。
三、JCH-2靜態重合閘繼電器接線圖

公司介紹:上海上繼科技有限公司是一家專業從事電力系統繼電保護及智能電網電力自動化產品的研發、設計、生產、銷售和服務為一體的高科技公司。擁有資深繼電保護專家團隊和國內**的檢測儀器及校驗設備。同時還引用國內外先進技術,來進行技術創新。本公司的產品廣泛用于電力、工礦、鐵路、建筑等國家重大工程輸配變電系統上,產品遠銷東南亞及中東地區。產品通過國家繼電保護及自動化設備質量監督檢驗中心檢測,獲得ISO9001國際質量體系認證。“科技創新,誠信務實”是公司的經營理念,本公司以高超的技術支持和對用戶高度負責的售后服務贏得了輸配電成套企業的信賴,且樹立了良好的信譽。
上海上繼科技有限公司(專注電力保護繼電器生產廠家)銷售熱線:021-57233089 QQ:1932551438
{以上內容僅供參考,上海上繼科技有限公司有最終解釋權}
更多繼電器精彩文章——JY-31A電壓繼電器應用范圍及技術要求





