JC-7/21沖擊繼電器接線圖及開孔尺寸-上海上繼科技有限公司
發表時間:2020-05-22 13:34 瀏覽次數:993 〖返回〗
一、JC-7/21沖擊繼電器的概述
JC-7/21沖擊繼電器采用集成電路原理構成,可用于直流操作的繼電保護及控制回路中,作為集中信號的主要元件。
JC-7/21在具有JC-7/11功能的基礎上,還增加了延時功能即:
a)將端子6、8短接可實現動作后延時自動復歸;
b)將端子4、6短接可實現繼電器延時動作,延時過程中若信號已消失繼電器將結束延時,不在動作。

二、JC-7/21沖擊繼電器的參數
1.額定直流輔助電壓;220V、110V、48V。
2.動作及返回電流:15mA
3.**長期穩定電流:0.6A
4.延長時間: 2-10s,連續可調。
5.延時功能:有
6.觸點容量:在電壓不超過250V,電流不超過5A,時間常數為5±0.75ms的直流有感負荷電路中,產品輸出觸點的斷開容量為50W。輸出觸點在上述規定的負荷條件下,產品能可靠動作及返回5x104次。輸出觸點長期允許接通電流為5A。
7.介質強度:產品各導電端子連在一起 ,對外露的非帶電金屬部分或外殼之間,能承受2000V(有效值)50Hz的交流電壓歷時1分鐘試驗而無絕緣擊穿或閃絡現象。
三、JC-7/21沖擊繼電器的開孔尺寸
JC-7采用A11殼體,如圖所示

四、JC-7/21沖擊繼電器的特點
抗紋波干流能力強,燈絲的冷態電阻與熱態電阻差引起的電流突減不會使繼電器誤返回 。
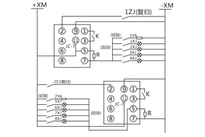
五、JC-7/21沖擊繼電器的電器典型接線圖

公司介紹:上海上繼科技有限公司是一家專業從事電力系統繼電保護及智能電網電力自動化產品的研發、設計、生產、銷售和服務為一體的高科技公司。擁有資深繼電保護專家團隊和國內**的檢測儀器及校驗設備。同時還引用國內外先進技術,來進行技術創新。本公司的產品廣泛用于電力、工礦、鐵路、建筑等國家重大工程輸配變電系統上,產品遠銷東南亞及中東地區。產品通過國家繼電保護及自動化設備質量監督檢驗中心檢測,獲得ISO-9001:2000國際質量體系認證?!翱萍紕撔?,誠信務實”是公司的經營理念,本公司以高超的技術支持和對用戶高度負責的售后服務贏得了輸配電成套企業的信賴,且樹立了良好的信譽。
上海上繼科技有限公司(專注電力保護繼電器生產廠家)銷售熱線:021-57233089 QQ:1932551438
{以上內容僅供參考,上海上繼科技有限公司有最終解釋權}
更多繼電器精彩文章——JT-1同步繼電器技術參數及開孔尺寸





