電流繼電器與高周率繼電器特點及性能參數-上海上繼科技有限公司
發表時間:2019-08-19 16:42 瀏覽次數:1016 〖返回〗
一、JL-41電流繼電器概述
JL-41靜態電流繼電器(以下簡稱本繼電器)用于發電機、變壓器和輸電線的過負新口短路保護裝置中作為啟動元件。本繼電器為集成電路靜態型繼電器,精度高、功耗小、動作時間快,返回系數高、 整定直觀方便、范圍寬,提供直流輔助電源后完全可替代電磁型電流繼電器,輔助電源采用開關電源變換,交直流通用,工作范圍大,從100-300V均能可靠工作。
JL-41靜態電流繼電器分為三個系列: JL-10、20、30、分別替代DL-10、 DL-20、 DL-30等系列電磁型電流繼電器。 JL系列靜態電流繼電器采用拔碼開關整定電流値,整定范圍為0.1-99.9A,改變整定値無需校驗,整定范圍寬,有利于用戶壓縮庫存品種。
二、JL-41電流繼電器接線圖

三、JL-41電流繼電器原理

本繼電器為靜態型繼電器,采用進口集成電路構成。被測量的交流電流I~經隔高變流器后,在其次級得到與被測、電流成正比的電壓Ui。 經定值整定后進行整流,整流后的脈沖電壓經濾波器濾波,得到與Ui成正比的直流電壓Uo。在電平檢i測中Uo與直流參考電壓Ue進行比較 , 若直流電壓Uo低了參考電壓,電平檢測器輸出正信號,驅動出口繼電器,繼電器處前作狀態,反之,若直流電壓uo高于參考電壓Ue,電平檢1測器輸出負信號,本繼電器處于不動作狀態。
四、JL-41電流繼電器整定誤差
a、在整定值范圍內,整定平均誤差的絕對值不大于3%;平均誤差=(5次測量平均值-整定值)/整定值×100%。
b、在標準條件下,同一整定值上測量的5次動作值的**值和最小值應不大于4%。
c、在-10℃~50℃的溫度下,任一整定點誤差的絕對值應不大于整定值的5%。
d、在輔助電壓80~110%變化范圍內,任一整定值整定誤差的絕對值應不大于4%。
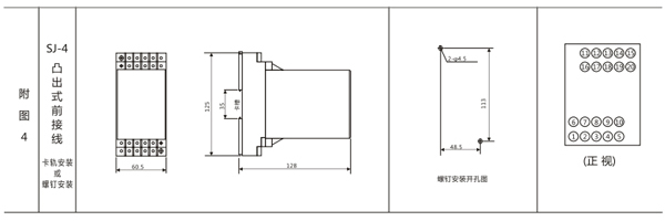
五、JL-41電流繼電器安裝尺寸


一、BGZ-1B高周率繼電器概述
BGZ-1B繼電器在電力系統的二次繼電保護線路中,作為反應頻率升高的靈敏元件。
二、BGZ-1B高周率繼電器結構特點
BGZ-1B為晶體管式, LC串聯諧振原理。殼體結構采剛JK2(凸出式后接線)、 JKF2Q(凸出式前接線)標準組件。
三、BGZ-1B高周率繼電器技術數據
BGZ-1B高周率繼電器的主要技術數據見表。

四、BGZ-1B高周率繼電器接線圖
BGZ-1B高周率繼電器內部接線見圖。

五、BGZ-1B高周率繼電器開孔尺寸
BGZ-1B采用JK-2殼體,如圖所示

上海上繼科技有限公司(專注電力保護裝置生產廠家)銷售熱線:021-57233089 QQ:1932551438
(以上內容僅供參考,上海上繼科技有限公司有最終解釋權)
更多繼電器精彩文章→JZ-S/449可調延時中間繼電器接線圖及開孔尺寸





