時間繼電器與功率繼電器特點及性能參數-上海上繼科技有限公司
發表時間:2019-08-12 16:52 瀏覽次數:1029 〖返回〗
一、SS-94/2時間繼電器概述
SS-94/2時間繼電器用于電力系統二次回路的繼電保護電路及自動控制中,作為延時控制元件之用。適用于時間測量精度要求高,配合時間級差小的場合。
二、SS-94/2時間繼電器工作環境條件
產品在下列條件下應能可靠地工作
a)環境溫度: -10°C~+50°C;
b)大氣壓力: 80kPa~ 110kPa;
c)相對濕度:最濕月的平均**相對濕度為90% ,同時該月的平均**溫度為25°C,且表面無凝露,**溫度為40°C時,平均**相對溫度不超過50% ;
d)無導電塵埃與破壞金屬和絕緣的腐蝕性氣體的環境中;
e)沒有爆炸危險及不充滿要的介質中(如煤灰、 磨料、木屑等);
f)工作位置:任一方傾斜不超過5°及不劇烈振動和沖擊;
g)使用地點具有防雨、雪、風砂裝置及沒有充滿水汽的環境中;
h)沒有較嚴重的霉菌存在的地方;
i)使用地方不允許有較強的外磁感應強度。
三、SS-94/2時間繼電器工作原理

四、SS-94/2時間繼電器背面接線圖

五、SS-94/2時間繼電器安裝及使用、維護
1.安裝方式
單個繼電器為嵌入式安裝
2.使用
a)使用時注意電壓規格以及正、負極性;
b)應滿足產品的工作環境條件;
3.維護
本產品應定期檢査,首先進行外觀檢査,印刷電路板焊點是否脫落,導線是否折段等。其次檢査直流回路是否工作正常。
六、SS-94/2時間繼電器技術數據
1.額定值:直流220V、110V、48V;
2.延時整定范圍
a) 20ms~9.999s(級差1ms) ;
b) 0.1s-99.99s(級差10ms) ;
c) ls~999.9s(級差0.1s) ;
d) 10s~9999s(級差1s) 。
3.動作值及返回值在基準條件下,繼電器動作電壓不大于70%額定電壓,返回電壓不小于10%額定電壓。
4.延時一致性在基準條件下,繼電器的延時一致性不大于( 0.1%整定值+3ms) 。
延時一致性=5次測量**值-5次測量最小值
5.延時整定誤差在基準條件下,繼電器延時整定誤差的絕對值不大于( 0.1%整定值+3ms) 。
延時平均誤差=5次測量平均值-整定值
6.返回時間:返回時間應不大于25ms。
7.功率消耗:在額定電壓下,繼電器的功率消耗不大于表3的規定值
8.觸點性能:在電壓不大于250V, 電流不大于1A的直流有感負荷(時間常數為5ms±0.75ms)電路中 , 觸點斷開容量為30W。
9.介質強度:繼電器各導電端子連在一起對外露的非帶電金屬部分或外殼之間,應能承受2kV(有效值) 50Hz的交流電壓歷時1min試驗而無絕緣擊穿或閃絡現象。

七、SS-94/2時間繼電器外形及開孔尺寸


BG-12B功率繼電器(以下簡稱繼電器)應用于電力系統方向保護接線中,作為功率方向元件。BG-12B用于相間短路保護。
一、BG-12B功率繼電器參數
·額定數據:交流額定電壓為100V;交流額定頻率為50Hz;交流額定電流為lA、5A;直流額定電壓為48V、110V、220V。
·繼電器**靈敏角: BG-11B、12B為-45°或-30°; BG-13B為+70°;在額定值下,誤差不大于±5°。
·動作值:在**靈敏角及額定電流下,繼電器的最小動作電壓不大于2V。
·動作時間:在**靈敏角和4倍動作功率(電流額定電壓為4V)時,不大于30ms。
·功率消耗:交流電壓回路不大于4VA;交流電流回路不大于1VA;直流不大于6W。
二、BG-12B功率繼電器開孔尺寸

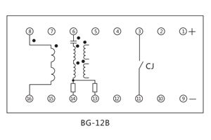
三、BG-12B功率繼電器接線圖

上海上繼科技有限公司(專注電力保護繼電器生產廠家)銷售熱線:021-57233089 QQ:1932551438
(以上內容僅供參考,上海上繼科技有限公司有最終解釋權}
更多繼電器精彩文章→JZL-315靜態中間繼電器結構原理及特點





