差動繼電器與重合閘繼電器區別和應用-上海上繼科技有限公司
發表時間:2019-07-30 16:19 瀏覽次數:1192 〖返回〗
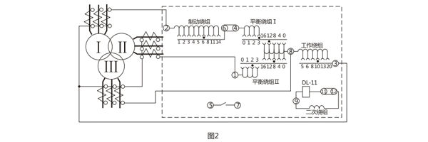
BCH-1差動繼電器具有一個制動繞組,能對兩繞組及三繞組電力變壓器進行單相差動保護。
一、BCH-1差動繼電器的接線圖

二、BCH-1差動繼電器的開孔尺寸

三、BCH-1差動繼電器的參數
1.額定定電流5A,額定頻率50Hz。
2 無制動時繼電器的起始動作安匝AWo=60±4。
3.當用于保護三繞組電力變壓器時,其動作電流可在3A至12A的范圍內進行整定(AWo=60) ,對于動作的最小整定值,其**平衡系數接近于2 。
當用于保護兩繞組電力變壓器時,其動作電流可以在1.55A至12A的范圍內進行整定。
4.由動作電流與制動電流的比值所決定的制動系數Kz可以在廣泛的范圍內變化,圖3的制動特性AWp=f(AWz)是其極限范圍,它與工作電流濟口制動電流間的相位角有關,但無論在任何角下都不應越出曲線的范圍。

5.可靠系數(當一次動作電流等于5IDz的繼電器正弦動作電流與當一次動作電流等于5IDZ的正弦動作電流的比值)不小于1.35。
6. 3倍動作電流時差動繼電器的動作時間不大于0.035s。
7.繼電器具有一個動合觸點,在電感性負荷的直流電路中, (其時間常數不大于5x10's) ,且電壓不大于220V,電流不大于2A時,觸點的斷開容量50W。
8.在正常工作狀態下當電流為5A且變流器的制動繞組平衡繞組在全部匝數投入的情況下繼電器的單相功率消耗不大于8.5VA。
9.變流器的工作、平衡和制動繞組可長期通過電流10A。
10.介質強度 繼電器的電路對外露非帶電金屬部分之間應能耐受2kV, 50Hz的交流電壓歷時1min而無擊穿或閃絡現象。
11.繼電器的繞組數據如表1所示。


DH-1重合閘繼電器用于輸電線路上實現三相一次重合閘的控制回路中 。
一、DH-1重合閘繼電器的接線圖

二、DH-1重合閘繼電器的參數
1.繼電器的額定電壓為DCllOV, 220V。
2.繼電器的額定電流(中間元件電流繞組JZ(I)的額定保持電流)為0.25A; 0.5A; IA; 2A; 4A。
3.在額定電壓下,當環境溫度為20±5°C,相對濕度不大于70%時,電容器充電到中間元件動作所必需的電壓的時間(一次重合閘間隔時間)在15s-25s范圍內 。
4.在70%額定電壓下,當環境溫度為20±5°C,相對濕度不大于70%時,繼電器應保證可靠動作,此時電容器充電到使中間元件動作所必需的電壓的時間,允許延長到2min。
5.當中間元件電壓繞組沒有電壓,電流繞組流過額定電流時,銜鐵保持在吸合位置。
6.繼電器在額定電壓下中間元件的觸點JZl與JZ(I)串聯后,應保證能接通額定電流8倍(不大于8A)的電流歷時5s,此后在觸點上不應有熔化和粘接的痕跡。
7.在額定電壓下,中間元件電流繞組JZ(I)的功率消耗應不大于1.35W。
8.時間元件的延時調整范圍為0.25s~ 3.5s。
9 時間元件的線圈串聯附加電阻后應能長期經受110%額定電壓 。
10.介質強度:繼電器各電路對外露非帶電金屬部分之間應耐受電壓2kV,交流50Hz歷時lmin試驗而無擊穿或閃絡。
三、DH-1重合閘繼電器的開孔尺寸

公司介紹:上海上繼科技有限公司是一家專業從事電力系統繼電保護及智能電網電力自動化產品的研發、設計、生產、銷售和服務為一體的高科技公司。擁有資深繼電保護專家團隊和國內**的檢測儀器及校驗設備。同時還引用國內外先進技術,來進行技術創新。本公司的產品廣泛用于電力、工礦、鐵路、建筑等國家重大工程輸配變電系統上,產品遠銷東南亞及中東地區。產品通過國家繼電保護及自動化設備質量監督檢驗中心檢測,獲得ISO-9001:2000國際質量體系認證。“科技創新,誠信務實”是公司的經營理念,本公司以高超的技術支持和對用戶高度負責的售后服務贏得了輸配電成套企業的信賴,且樹立了良好的信譽。
上海上繼科技有限公司(專注電力保護繼電器生產廠家)銷售熱線:021-57233089 QQ:1932551438
{以上內容僅供參考,上海上繼科技有限公司有最終解釋權}
更多繼電器精彩文章——LL-13過流繼電器接線圖及開孔尺寸





