閃光繼電器與重合閘繼電器區別和應用-上海上繼科技有限公司
發表時間:2019-07-29 14:53 瀏覽次數:950 〖返回〗
DH-1重合閘繼電器用于輸電線路上實現三相一次重合閘的控制回路中 。
一、DH-1重合閘繼電器的接線圖

二、DH-1重合閘繼電器的開孔尺寸

三、DH-1重合閘繼電器的參數
1.繼電器的額定電壓為DCllOV, 220V。
2.繼電器的額定電流(中間元件電流繞組JZ(I)的額定保持電流)為0.25A; 0.5A; IA; 2A; 4A。
3.在額定電壓下,當環境溫度為20±5°C,相對濕度不大于70%時,電容器充電到中間元件動作所必需的電壓的時間(一次重合閘間隔時間)在15s-25s范圍內 。
4.在70%額定電壓下,當環境溫度為20±5°C,相對濕度不大于70%時,繼電器應保證可靠動作,此時電容器充電到使中間元件動作所必需的電壓的時間,允許延長到2min。
5.當中間元件電壓繞組沒有電壓,電流繞組流過額定電流時,銜鐵保持在吸合位置。
6.繼電器在額定電壓下中間元件的觸點JZl與JZ(I)串聯后,應保證能接通額定電流8倍(不大于8A)的電流歷時5s,此后在觸點上不應有熔化和粘接的痕跡。
7.在額定電壓下,中間元件電流繞組JZ(I)的功率消耗應不大于1.35W。
8.時間元件的延時調整范圍為0.25s~ 3.5s。
9 時間元件的線圈串聯附加電阻后應能長期經受110%額定電壓 。
10.介質強度:繼電器各電路對外露非帶電金屬部分之間應耐受電壓2kV,交流50Hz歷時lmin試驗而無擊穿或閃絡。

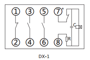
DX-1閃光繼電器用于信號回路。當工作線圈電源接通后,觸點可周期性的接通和斷開,使受控的燈光信號發出閃光。
一、DX-1閃光繼電器的參數
●額定值:DC 220V、110V、48V。
●觸點形式:2組動合、1組動斷。
●閃光頻率:每分鐘60±20次。
●動作值:不大于70%額定值。
●功率消耗:不大于3W。
●觸點容量:在電壓不超過250V,電流不超過5A,時間常數為5±0.75ms的直流有感負荷電路中,產品輸出觸點的斷開容量為 50W。輸出觸點在上述規定的負荷條件下,產品能可靠動作及返回5×104次。輸出觸點長期允許接通電流為5A。
●介質強度:產品各導電端子連在一起,對外露的非帶電金屬部分或外殼之間,能承受2000V(有效值)50Hz的交流電壓,歷時1分鐘 試驗,而無絕緣擊穿或閃絡現象。
二、DX-1閃光繼電器的接線圖

三、DX-1閃光繼電器的開孔尺寸

公司介紹:上海上繼科技有限公司是一家專業從事電力系統繼電保護及智能電網電力自動化產品的研發、設計、生產、銷售和服務為一體的高科技公司。擁有資深繼電保護專家團隊和國內**的檢測儀器及校驗設備。同時還引用國內外先進技術,來進行技術創新。本公司的產品廣泛用于電力、工礦、鐵路、建筑等國家重大工程輸配變電系統上,產品遠銷東南亞及中東地區。產品通過國家繼電保護及自動化設備質量監督檢驗中心檢測,獲得ISO-9001:2000國際質量體系認證。“科技創新,誠信務實”是公司的經營理念,本公司以高超的技術支持和對用戶高度負責的售后服務贏得了輸配電成套企業的信賴,且樹立了良好的信譽。
上海上繼科技有限公司(專注電力保護繼電器生產廠家)銷售熱線:021-57233089 QQ:1932551438
{以上內容僅供參考,上海上繼科技有限公司有最終解釋權}
更多繼電器精彩文章——LL-13A過流繼電器接線圖及開孔尺寸
- 上一篇:閃光繼電器與差動繼電器區別和應用
- 下一篇:閃光繼電器與絕緣監視繼電器區別和應用





